The Unsung Hero of the Warehouse: A Deep Dive into Forklift Bearing Technolog...
LES MER HER
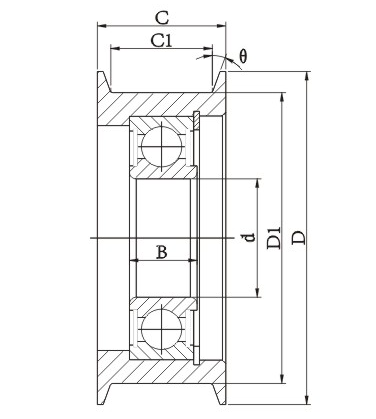
Lagerkode: 920002
● Materialer og varmebehandling for gaffelmastlagerring
Valget av materialer for mastlagerringer (inkludert aksler) er basert på de ulike belastningene og strukturene som bæres av lagerringdeler. Vanligvis velges lagerstål, høykvalitets karbonstrukturstål, karburisert stål og andre materialer for produksjon. Ulike varmebehandlingsprosesser brukes for å oppnå de mekaniske egenskapene til lagerringdeler.
● Last og struktur til gaffelmastlageret
I mastelagre er størrelsen på belastningen den første faktoren som må vurderes ved valg av lagre. Under forutsetning av de samme totale dimensjonene til lagrene, er bæreevnen til rullestrukturen den største, etterfulgt av dobbel. -radkulestruktur og bæreevnen til en enrads kulestruktur er relativt liten. Blant lagrene til denne typen struktur er bæreevnen til fullkule (eller rulle) strukturen større enn for et lager med bur. Ut fra forutsetningen om tilstrekkelig lastekapasitet, kan standard enrads ballstruktur foretrekkes.
● Forskjeller mellom gaffelmastlager og andre standardlager
Sammenlignet med andre standardlagre er mastelagrene hovedsakelig kjennetegnet ved at den indre ringen er stasjonær i forhold til akselen og den ytre ringen roterer, og går frem og tilbake i henhold til en viss regel (tid eller slag), og bærer konstant skiftende belastninger under bevegelse.
● Forskjeller mellom gaffelmastlageret og andre standardlager i bevegelse
Under bevegelsen gnider den ytre ringen på mastelageret gjentatte ganger mot sporflaten og slites kontinuerlig. I henhold til de forskjellige skinnematerialene skal overflatehardheten til lageret være rimelig bestemt, og både sporbeskyttelse og lagerlevetid skal vurderes.
| Lager nr | Dimensjoner (mm) | Grunnleggende belastningsgrad (KN) | Ref. Ingen. | |
| d*D*C/B | Cr | Cor | ||
| CG25E1-1 | 25*108/89*38,1/31,75*24 | 42.6 | 35.8 | |
| CG30E1-1 | 30*90/80*36/27*19 | 26.7 | 14.9 | |
| CG35E1-3 | 35*98,5/86*50,3/30*20 | 38.74 | 26.79 | CHL, 3CLS551 |
| CG35E1-4 | 35*98,5/86*50,3(39)27*20 | 38.74 | 26.79 | BZW |
| CG45E1-1M1 | 45*123/115*36/29*32 | 75.5 | 121.6 | |
| CG50E1-1 | 50*138/114*52/36*40 | 57 | 46.5 | |
| CG55E1-1M45T1 | 55/100*156/140*54/38*45 | 70.5 | 58.8 | |
| CG60E1-1M1 | 60*170/150*70/50*75 | 200 | 228 | |
| CG75E1-1M45T1 | 75/130*216/200*66/50*54 | 107.2 | 99.3 | |
| CG95E1-1 | 95*246/230*80/68 | 179 | 165 | |
| CG100E1-1 | 100*280/230*96/69*1003 | 380 | 820 | |

The Unsung Hero of the Warehouse: A Deep Dive into Forklift Bearing Technolog...
LES MER HER
I over fem tiår, siden vår etablering i 1969, har Jiangsu Wanda Special Beari...
LES MER HER
Siden etableringen i 1969 har JiangsuWandaSpecialBearingCo.,Ltd (tidligere Ru...
LES MER HER
Forstå rollen til sideruller for gaffeltrucker Gaffeltruck sideruller ...
LES MER HER
Forstå rullekjeder Rullehjulkjeder er essensielle komponenter...
LES MER HER