The Unsung Hero of the Warehouse: A Deep Dive into Forklift Bearing Technolog...
LES MER HER
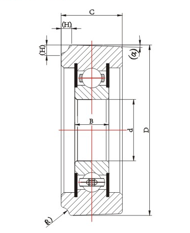
Lagerkode: 920002
| Lager nr | Dimensjoner (mm) | Grunnleggende belastningsgrad (KN) | Ref. Ingen. | |
| d*D*C/B | Cr | Cor | ||
| MG35A9-1 | 35*91,24*31,88/21 | 33.36 | 19.21 | MG207FFH |
| MG35A9-2 | 35*110,26*30,28/21 | 33.36 | 19.21 | MG207FFK |
| MG35A9-3 | 35*111*31/21 | 33.36 | 19.21 | |
| MG35A9-4 | 35*91*31/21 | 33.36 | 19.21 | |

The Unsung Hero of the Warehouse: A Deep Dive into Forklift Bearing Technolog...
LES MER HER
I over fem tiår, siden vår etablering i 1969, har Jiangsu Wanda Special Beari...
LES MER HER
Siden etableringen i 1969 har JiangsuWandaSpecialBearingCo.,Ltd (tidligere Ru...
LES MER HER
Forstå rollen til sideruller for gaffeltrucker Gaffeltruck sideruller ...
LES MER HER
Forstå rullekjeder Rullehjulkjeder er essensielle komponenter...
LES MER HER